欢迎访问广东松山职业技术学院官方网站!
当前位置: 网站首页 >> 通知公告 >> 正文

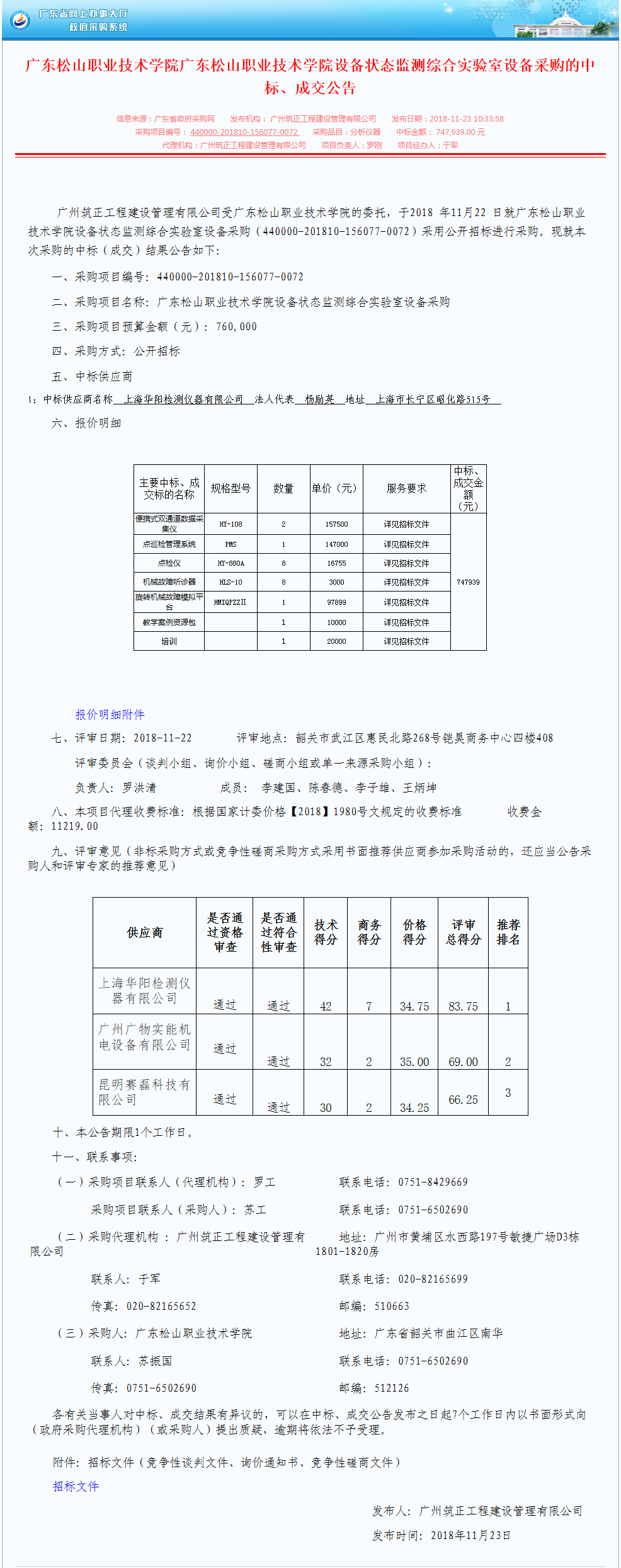
广东松山职业技术学院设备状态监测综合实验室设备采购公开招标公告

发布日期:2018-11-23  点击:[]

广东松山职业技术学院设备状态监测综合实验室设备采购公开招标公告.png

分享|

上一条:关于2018年11月29日停电及应急情况的通知
下一条:广东松山职业技术学院消防器材设施购置及安装采购项目询价公告(重招)

关闭


书记信箱 : gdssptsj@gdsspt.edu.cn

校长信箱 : gdssptxz@gdsspt.edu.cn

电话 : 0751-6501658

地址 : 广东省韶关市曲江区南华

版权所有©2021  广东松山职业技术学院        备案号 : 粤ICP备11020318号-3            粤公网安备44020502000108号